Srinivasa
srinivasa iso ISO Certified
ISO 9001 - 2015

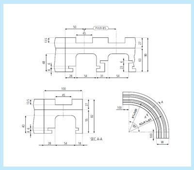
Corner Track Tab Type

srinivasa mashbult
srinivasa mashbult
srinivasa mashbult
srinivasa mashbult

Chain Width 3.25”(82.5mm)Track Pitch(p) 85mm

CR1(mm) Tracks A(mm) H(mm)
500 1 100 25
500 2 190 25
500 3 280 25
500 4 370 25
650 1 100 25
650 2 190 25
650 3 280 25
650 4 370 25
1000 1 100 25
1000 2 190 25
1000 3 280 25
1000 4 370 25

Magnetic Corner Track

srinivasa mashbult
srinivasa mashbult
CR1(mm) Tracks A(mm) H(mm)
500 1 110 27 + 55
500,585 2 196 25 + 63
500,585,670 3 280 25 + 63
500,585,670,755 4 365 25 + 63